Schaltplan Lichtschranke Modellbahn Schaltplan Lichtschranke Mikrocontroller Ls2 Microcontroller
Schaltplan lichtschranke mikrocontroller ls2 microcontroller. Schaltplan relais modellbahn. Wie funktioniert diese lichtschranke? (schaltplan)
schaltplan lichtschranke modellbahn
Download PDF
If you are {looking for|searching about} Schrankensteuerung you've {came|visit} to the right {place|web|page}. We have 15 {Pics|Pictures|Images} about Schrankensteuerung like SMD-Version der Lichtschranke • Christians Homepage, Schaltplan Lichtschranke Modellbahn and also SMD-Version der Lichtschranke • Christians Homepage. {Read more|Here you go|Here it is}:
Schaltplan lichtschranke modellbahn


Smd-version der lichtschranke • christians homepage. Schrankensteuerung schaltplan – lichtschalter beschriftung. Ltspice lichtschranke. Lichtschranke platine schaltung noppen
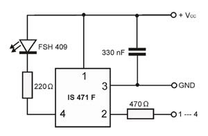
Microcontroller und Lichtschranke - Mikrocontroller.net
Modellbahn-Technik-Blog: Entwurf einer automatisch abschaltenden
Schaltplan Relais Modellbahn
Schrankensteuerung
SMD-Version der Lichtschranke • Christians Homepage

Komentar
Posting Komentar